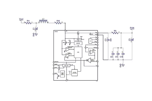
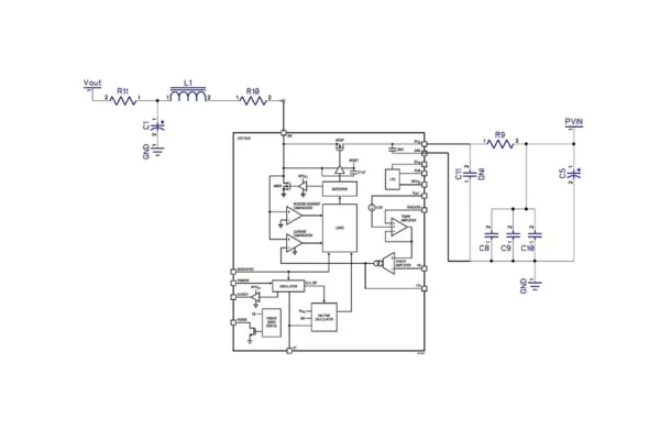
Featuring articles from industry experts, including AI-Assisted HFSS Modeling for 100 GHz+ High-Speed Interconnects, HYPERLABS; Why Power Architectures Constrain New Space AI Missions, Vicor; ML Models for SI\PI Analysis with Meshed Planes, Cadence; Modern Closed–Loop Stability in ADS, Signal Edge Solutions/Picotest/Keysight; Evolution of the PDN Design Process, Samtec; and more.read more
The articles in this eBook provide a comprehensive view of the technical hurdles and emerging solutions, shaping the future of high-speed interconnect design. read more
The articles compiled in this eBook explore a diverse range of topics with practical insights and emerging strategies aimed at engineers, system architects, and technical decision-makers. read more